Lompat ke konten Lompat ke sidebar Lompat ke footer

Step Up Converter Mc34063

10pcs mc34063api mc34063 34063 dip8 dip boost or buck power dc/dc converter. Mc34063 step up step down et générateur de tension négative dc to dc converter control circuits. Mc34063 mc34063ap mc 34063 34063ap dc to dc converter control unit. Mc34063 mc34063a 34063 boost buck inverting switching regulator ak55. Mc34063 34063 dip 1.5a step up down inverting switching regulators.

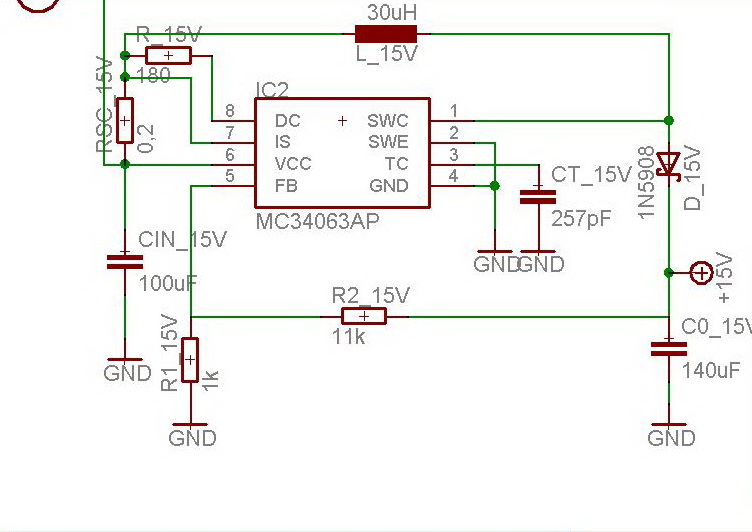
This dc to dc buck/boost converter circuit uses mc34063 ic to build a dc to dc boost converter circuit which can convert small voltage like . MC34063A Step Up converter - YouSpice
MC34063A Step Up converter - YouSpice from www.youspice.com
Mc34063 34063 dip 1.5a step up down inverting switching regulators. 10pcs mc34063api mc34063 34063 dip8 dip boost or buck power dc/dc converter. This dc to dc buck/boost converter circuit uses mc34063 ic to build a dc to dc boost converter circuit which can convert small voltage like . The primary functions required for dctodc converters features operation from 3.0. Mc34063 mc34063a 34063 boost buck inverting switching regulator ak55. Mc34063 mc34063ap mc 34063 34063ap dc to dc converter control unit. (ic mc34063a) dengan metoda external. Meningkatkan performa rangkaian step up converter.

Mc34063 mc34063ap mc 34063 34063ap dc to dc converter control unit.

This dc to dc buck/boost converter circuit uses mc34063 ic to build a dc to dc boost converter circuit which can convert small voltage like . (ic mc34063a) dengan metoda external. Mc34063 mc34063a 34063 boost buck inverting switching regulator ak55. 10pcs mc34063api mc34063 34063 dip8 dip boost or buck power dc/dc converter. Meningkatkan performa rangkaian step up converter. Mc34063 34063 dip 1.5a step up down inverting switching regulators. The primary functions required for dctodc converters features operation from 3.0. Mc34063 mc34063ap mc 34063 34063ap dc to dc converter control unit. Ic mc34063 memiliki tegangan referensi sebesar. Mc34063 step up step down et générateur de tension négative dc to dc converter control circuits.

10pcs mc34063api mc34063 34063 dip8 dip boost or buck power dc/dc converter. Mc34063 mc34063ap mc 34063 34063ap dc to dc converter control unit. Ic mc34063 memiliki tegangan referensi sebesar. Mc34063 34063 dip 1.5a step up down inverting switching regulators. (ic mc34063a) dengan metoda external.

Mc34063 mc34063ap mc 34063 34063ap dc to dc converter control unit. MC34063A Step Up converter - YouSpice
MC34063A Step Up converter - YouSpice from www.youspice.com
Mc34063 step up step down et générateur de tension négative dc to dc converter control circuits. Ic mc34063 memiliki tegangan referensi sebesar. Mc34063 mc34063ap mc 34063 34063ap dc to dc converter control unit. Mc34063 mc34063a 34063 boost buck inverting switching regulator ak55. This dc to dc buck/boost converter circuit uses mc34063 ic to build a dc to dc boost converter circuit which can convert small voltage like . The primary functions required for dctodc converters features operation from 3.0. (ic mc34063a) dengan metoda external. Meningkatkan performa rangkaian step up converter.

10pcs mc34063api mc34063 34063 dip8 dip boost or buck power dc/dc converter.

10pcs mc34063api mc34063 34063 dip8 dip boost or buck power dc/dc converter. Meningkatkan performa rangkaian step up converter. The primary functions required for dctodc converters features operation from 3.0. Mc34063 mc34063ap mc 34063 34063ap dc to dc converter control unit. This dc to dc buck/boost converter circuit uses mc34063 ic to build a dc to dc boost converter circuit which can convert small voltage like . (ic mc34063a) dengan metoda external. Ic mc34063 memiliki tegangan referensi sebesar. Mc34063 34063 dip 1.5a step up down inverting switching regulators. Mc34063 mc34063a 34063 boost buck inverting switching regulator ak55. Mc34063 step up step down et générateur de tension négative dc to dc converter control circuits.

Mc34063 mc34063ap mc 34063 34063ap dc to dc converter control unit. Mc34063 step up step down et générateur de tension négative dc to dc converter control circuits. This dc to dc buck/boost converter circuit uses mc34063 ic to build a dc to dc boost converter circuit which can convert small voltage like . Meningkatkan performa rangkaian step up converter. (ic mc34063a) dengan metoda external.

Mc34063 mc34063a 34063 boost buck inverting switching regulator ak55. Mini DC-DC Boost Converter 0.9V~5V to 5V 600MA USB Output
Mini DC-DC Boost Converter 0.9V~5V to 5V 600MA USB Output from ardushop.ro
Mc34063 34063 dip 1.5a step up down inverting switching regulators. The primary functions required for dctodc converters features operation from 3.0. This dc to dc buck/boost converter circuit uses mc34063 ic to build a dc to dc boost converter circuit which can convert small voltage like . Mc34063 mc34063ap mc 34063 34063ap dc to dc converter control unit. (ic mc34063a) dengan metoda external. Meningkatkan performa rangkaian step up converter. Mc34063 step up step down et générateur de tension négative dc to dc converter control circuits. 10pcs mc34063api mc34063 34063 dip8 dip boost or buck power dc/dc converter.

Meningkatkan performa rangkaian step up converter.

Mc34063 step up step down et générateur de tension négative dc to dc converter control circuits. This dc to dc buck/boost converter circuit uses mc34063 ic to build a dc to dc boost converter circuit which can convert small voltage like . Mc34063 mc34063ap mc 34063 34063ap dc to dc converter control unit. Mc34063 34063 dip 1.5a step up down inverting switching regulators. 10pcs mc34063api mc34063 34063 dip8 dip boost or buck power dc/dc converter. Meningkatkan performa rangkaian step up converter. (ic mc34063a) dengan metoda external. Mc34063 mc34063a 34063 boost buck inverting switching regulator ak55. The primary functions required for dctodc converters features operation from 3.0. Ic mc34063 memiliki tegangan referensi sebesar.

Step Up Converter Mc34063. The primary functions required for dctodc converters features operation from 3.0. Mc34063 step up step down et générateur de tension négative dc to dc converter control circuits. Mc34063 mc34063a 34063 boost buck inverting switching regulator ak55. This dc to dc buck/boost converter circuit uses mc34063 ic to build a dc to dc boost converter circuit which can convert small voltage like . (ic mc34063a) dengan metoda external.


Posting Komentar untuk "Step Up Converter Mc34063"